ハーメチックコネクタ | 多極フィードスルー
ハーメチックコネクタはハーメチックシール、フィードスルーなどとも呼ばれ、主に多芯の電線をコネクタで簡単に着脱できる気密コネクタを指します。ヒーター電源や熱電対信号などの導入に使用されます。


ピン配列はMIL-C-5015のMSコネクタ嵌合配列を基本に、オリジナルの配列や大電流端子の製品も特注対応にて製作いたします。
大気側の接続は主にMSコネクタが用いられ、真空側の接続方法は絶縁物付きの真空側プラグ、ロック用カップリングナットのついたシェル付き真空側プラグ、ソケットコンタクト単体での接続、ハーメチックコネクタのピンをカップ形状としたはんだ接続等の方法から選択可能です。
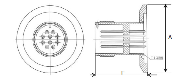
お客様装置の容器に直接ハーメチックコネクタを溶接して取り付けたい場合には フランジのないハーメチックコネクタを使用します。


| 仕様 | |
|---|---|
| 定格電流 | 3A |
| 耐電圧 | AC500Vrms・1分間 |
| 絶縁抵抗 | 1000MΩ以上 ※DC500V印加時 |
| 使用温度 | -55℃~+200℃ |
| 気密性 | 1×10-9Pa・m3/s以下 (Heリークディテクタ) |

| 型式 | 極数(極) | 寸法 | ||
|---|---|---|---|---|
| B | C | F[㎜] | ||
| HG31S-N-4P-14S-2 | 4 | 7/8-20UNEF | Φ20.1 | 35 |
| HG31S-N-10P-18-1 | 10 | 1 1/8-18UNEF | Φ26.1 | 40 |
| HG31S-N-24P-24-28 | 24 | 1 1/2-18UNEF | Φ36.6 | 40 |
| HG31S-N-37P-28-21 | 37 | 1 3/4-18UNS | Φ42.1 | 40 |
熱電対Kタイプのハーメチックコネクタも用意しています。
真空チャンバーに溶接されたポートや容器の隔壁にねじ止めやクランプにてハーメチックコネクタを 取り付けたい場合には、フランジ付きのハーメチックコネクタを使用します。メンテナンス時に簡単に取り外すことができます。真空用フランジにはVG/VF、ICF、NW(KF)などの規格品がありますが、加圧用の規格フランジやオリジナル形状のフランジも承ります。


| 型式 | 極数(極) | 寸法 | フランジ型式 | |||
|---|---|---|---|---|---|---|
| A[㎜] | P. C. D[㎜] | F[㎜] | φH[㎜] | CFフランジ | ||
| HG31S-CF70-4P-14S-2 | 4 | Φ70 | Φ58.7 | 37 | 6.7 | CF70 |
| HG31S-CF70-10P-18-1 | 10 | Φ70 | Φ58.7 | 42 | 6.7 | CF70 |
| HG31S-CF114-24P-24-28 | 24 | Φ114 | Φ92.2 | 42 | 8.4 | CF114 |
| HG31S-CF114-37P-28-21 | 37 | Φ114 | Φ92.2 | 42 | 8.4 | CF114 |
*ハーメチックコネクタに接続する真空側プラグも用意しております。


| 型式 | 極数(極) | 寸法 | フランジ型式 | |||
|---|---|---|---|---|---|---|
| A[㎜] | P. C. D[㎜] | F[㎜] | φH[㎜] | VF/VGフランジ | ||
| HG31S-VF20-4P-14S-2 HG31S-VG20-4P-14S-2 |
4 | Φ80 | Φ58.7 | 37 | 10 | VF20 VG20 |
| HG31S-VF25-10P-18-1 HG31S-VG25-10P-18-1 |
10 | Φ90 | Φ70 | 40 | 10 | VF25 VG25 |
| HG31S-VF40-24P-24-28 HG31S-VG40-24P-24-28 |
24 | Φ105 | Φ85 | 40 | 10 | VF40 VG40 |
| HG31S-VF40-37P-28-21 HG31S-VG40-37P-28-21 |
37 | Φ105 | Φ85 | 40 | 10 | VF40 VG40 |
*ハーメチックコネクタに接続する真空側プラグも用意しております。


| 型式 | 極数(極) | 寸法 | フランジ型式 | |
|---|---|---|---|---|
| A[㎜] | F[㎜] | |||
| HG31S-NW16-4P-14S-2 | 4 | Φ30 | 37.5 | NW16 |
| HG31S-NW25-10P-18-1 | 10 | Φ40 | 42.5 | NW25 |
| HG31S-NW40-24P-24-28 | 24 | Φ55 | 42.5 | NW40 |
| HG31S-NW50-37P-28-21 | 37 | Φ75 | 42.5 | NW50 |
*ハーメチックコネクタに接続する真空側プラグも用意しております。
コンパクトなフランジ付きのハーメチックコネクタです。

| 仕様 | |
|---|---|
| 型式 | HG31S-S42-10P-18-1 |
| 定格電流 | 3A |
| 耐電圧 | AC500Vrms・1分間 |
| 極数 | 10P |
| 使用温度 | -55℃~+200℃ |
| 気密性 | 1×10-9Pa・m3/s以下 (Heリークディテクタ) |
| 適合Oリング | G30(お客様ご用意) 硬度A70 |
| 大気側コネクタ | MS3106B18-1S |
*ハーメチックコネクタに接続する真空側プラグも用意しております。
面積当たりの極数が多いD-subタイプのハーメチックコネクタです。
9P, 15P, 25P, 37Pを取り揃えています。


*ハーメチックコネクタに接続する真空側プラグも用意しております。